Power Management Chip - ASP3605A
ASP3605A is a power management chip developed by Ansilic, fully compatible with LTC3605, featuring high efficiency, low ripple, and high current capability. The chip's specifications such as power efficiency, current, and input/output range are consistent with those of the LTC3605 chip. This chip supports an input voltage range of 4V to 15V and an output voltage range of 0.6V to 5.5V, with 4A output current per channel and a typical operating efficiency of 94%. It supports soft error protection and can provide AEC-Q100 grade 1 automotive specification certification.
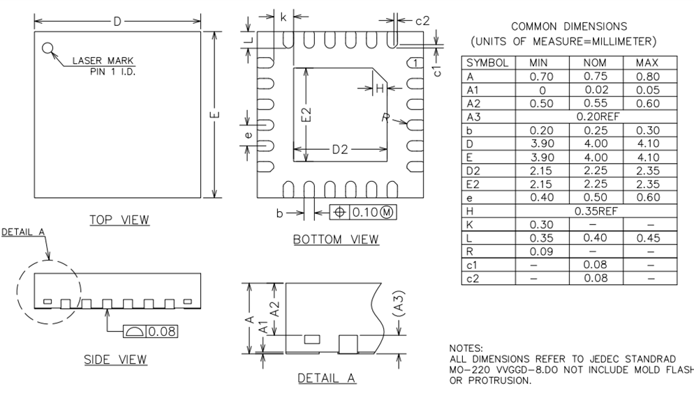
Product Details
- Maximum efficiency: 94%
- Output current: 5A
- VIN range: 4V~15V
- Integrated N-channel power MOSFET
- Adjustable frequency: 800kHz~4MHz
- Multiphase operation: Up to 12 phases cascaded
- Output tracking
- 0.6V reference accuracy: ±1%
- Ripple: Typical value 4.5mV
- Current control mode with excellent load and line regulation
- Soft error protection: Adopting advanced soft error protection technology.
- Automotive specification certification: AEC-Q100
Solutions

New Energy Vehicles

Commercial Space

Robotics
Product Manual
—— For small batch purchase, please click to enter the online mall to place an order.
—— For large quantities of purchases, please contact us directly via online consultation or phone (0592-6228-898).
Related Products
View All New ProductsPower Management Chip - ASP3605I
ASP3605I is a power management chip developed by Ansilic, fully compatible with LTC3605, featuring high efficiency, low ripple, and high current capability. The chip's specifications such as power efficiency, current, and input/output range are consistent with those of the LTC3605 chip. This chip supports an input voltage range of 4V to 15V and an output voltage range of 0.6V to 5.5V, with 4A output current per channel and a typical operating efficiency of 94%. Support soft error protection.
MCU - AS32I401
AS32I401 is an industrial-grade MCU chip based on the RISC-V architecture developed by Ansilic, featuring complete independent controllability, high security, and rich interfaces. Based on the RISC-V architecture, it supports the RV32IMZicsr instruction set with a main frequency of 120MHz, and supports interfaces such as CANFD, Ethernet, LIN, ADC, and DAC. It can be applied in high-safety demand scenarios such as robot joint control, special industrial applications, power systems, and military industries.
CAN Transceiver - ASM1042I
ASM1042I is a CAN FD interface chip developed by Ansilic, featuring high data rate, high voltage tolerance, and strong IO compatibility. It supports a data rate of up to 5Mbps, a common-mode input voltage of ±30V, a bus fault protection voltage of ±70V, and is compatible with 3.3V and 5V MCU IO interfaces. It can be applied in high-safety application scenarios such as robots, industrial equipment, and medical devices. Chip design, production, packaging, fully compatible with TJA1042 and TCAN1042.
MCU - AS32S401
AS32S401 is an MCU processor chip based on the 32-bit RISC-V instruction set, targeting the commercial space field. With a main frequency of up to 120MHz and a dual-core lockstep architecture, the product features high security, low failure rate, multiple IOs, and low cost. It has radiation-resistant characteristics with radiation-resistant indicators: SEL ≥75MeV.cm²/mg, SEU ≥75MeV.cm²/mg, and can be applied in safety-critical fields such as commercial space.



